Ремонт Осциллографа С1-67 - Ремонт - Форум по р...
С1-67 - Песочница (Q&A) - Форум по радиоэлектро...
Mann Ölfilter W67/1 W67/1 online kaufen bei Tho...
Miele W 627 WPM Инструкция по эксплуатации онлайн
W671 Mann-Filter - Фільтр масляний W 67/1 - куп...
ΦΙΛΤΡΟ ΛΑΔΙΟΥ ΜΑΝΝ W67/1 - Tzambaolla.gr
Осциллограф С1-67 нет луча - Телевизоры и монит...
Ремонт Осциллографа С1-67 - Страница 4 - Ремонт...
Miele W667 [1/68] Инструкция по эксплуатации и ...
Купить Фильтр масляный Mann W67/1 в Томске по ц...
Фильтр масляный Mann W67/1 — купить в Красноярс...
Индуктивный датчик приближения TL-W7F1 купить в...
Auto Mann Ölfilter W67/1 | Kaufen auf Ricardo
FILTR OLEJU MANN W67/1 W 67/1 za 21,32 zł z Pił...
ВСКРЫВАЕМ МАСЛЯНЫЙ ФИЛЬТР MANN W67/1, ЧТО ВНУТР...
W1-Serie W1-75 - Edelstahl - Wamsler GmbH
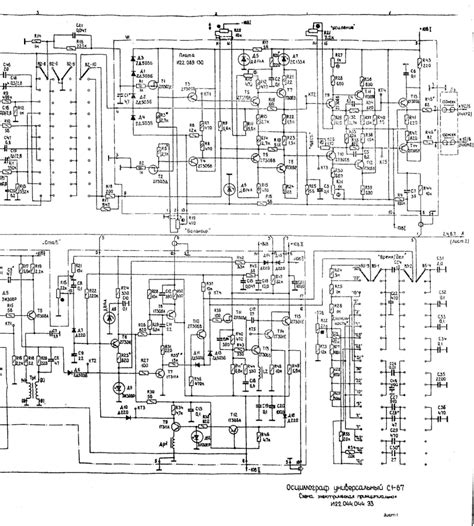
Осциллограф универсальный ''С1-67''.
Mann filter W67/1 oljefilter/Tohatsu – Agder Boat
фильтр манн W67 1 применение для каких моделей ...
W67 1 фильтр масляный для какой машины подходит...
W67-X2Q13-1 TE Connectivity Potter & Brumfield ...
Осциллограф С1-67 - Измерительная техника - Фор...
MANN ΦΙΛΤΡΟ ΛΑΔΙΟΥ (W 67/1) - W-67/1
Problem z aktualizacją do wersji 1.67 SP1 - Sub...
Фильтр масляный W67/1 - купить по выгодным цена...
t67_1 | Wargames-News
W671 Mann-Filter - Масляный фильтр W 67/1 - куп...
Mann W67/1
Фильтр масляный MANN FILTER W67/1 - купить по в...
Mann Filter W67/1 Yağ Filtresi
W67/1
W1167-1 - Winchester Industries