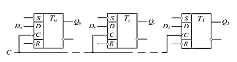
1.4. Регистры процессора
Как проверить батарейку #проверкабатарейки #бат...
Регистры - презентация онлайн
Объекты: Внутренние регистры
Продам хорошие секций на гибридную батарею бата...
ИИ научили измерять состояние батареи во время ...
Регистры. Счетчики - online presentation
Батарейки 🔋. - YouTube
Создали новые батареи, с которыми электромобили...
Схемотехника вычислительных систем. Лекция 4. Р...
Регистры и счетчики - Электротехника и электроника
Лекция № 8 Регистры Содержание
Батареи. Регистры купить в Красноярске | Товары...
Авторизация
Регистры | Основы электроакустики
Регистры - YouTube
Регистрирующие устройства - презентация онлайн
Счетчики, регистры. (Лекция 7) - презентация он...
Разработали компактную атомную батарейку — Журн...
Регистры - ОСНОВЫ ФУНКЦИОНИРОВАНИЯ СИСТЕМ СЕРВИ...
Батарейка | Vector design, Vector art, Vector
Регистры
Регистры. Определение, применение, состав, виды...
Как проверить заряжена батарейка или нет - YouTube
Как проверить батарейку. - YouTube
Регистры специального назначения. Таймеры.
Приносите нам старые батарейки. Позаботимся о п...
БАТАРЕЙКА! Задача про программиста и бракованны...
Регистры. Основные типы регистров - презентация...
СТАРЫЕ БАТАРЕЙКИ НЕ ВЫБРАСЫВАТЬ ПОЧЕМУ В ГЕРМАН...