Маслонаполненные проходные изоляторы | Фарфоров...
Проходные изоляторы 10 кв наружной установки: П...
Изоляторы для трансформаторных вводов 3 кВ, Изо...
Изоляторы керамические проходные в Перми и РФ -...
Фарфоровый проходной изолятор ИПУ-10/1000-7.5 У...
Проходные изоляторы (ИП, ИПУ) ИП-10/1600-7,5 УХ...
Изоляторы фарфоровые проходные ИП-35-400, Изоля...
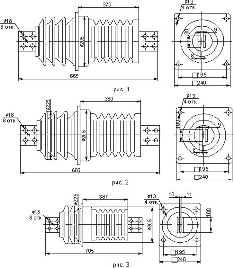
Проходные изоляторы
Монтаж опорных и проходных изоляторов 6—10 кВ
Проходные изоляторы 10 кВ на токи 1600 А и 2000...
Проходной изолятор ИПЭ-35-450-01.УХЛ2 - МЭКСА-ком
Проходные изоляторы: Конструкции проходных изoл...
Изоляторы проходные керамические типа ИП, ИПУ
Изоляторы электрические: назначение, применение...
Электрические изоляторы: назначение, виды, конс...
Проходные изоляторы 10кВ, 35кВ
Изолятор проходной ИП, ИПУ
Изоляторы проходные, купить изолятор, цены. Кат...
Фарфоровые проходные изоляторы ПР, ПРА с достав...
Проходные изоляторы - РэсЭнергоТранс
Проходной изолятор КРУ в сборе, цена в Чебоксар...
Проходной фарфоровый изолятор ИПУ 10 кВ
Проходные изоляторы ИП 10/630, 10/1000, 10/1600...
Фарфоровые проходные изоляторы | Вводы и изолят...
Электрические изоляторы: классификация, назначе...
Проходные изоляторы и линейные вводы в энергетике
Проходные изоляторы 10 кВ на токи 3150 А и 4000...
GOH проходные изоляторы трансформатора ABB