Model - KP-612 | PenzaAudio
K312/K312DA
k312.jpg | Servimg.com - Free image hosting ser...
p312.jpg | Servimg.com - Free image hosting ser...
CP-312 supplier | CAS 895470-67-4| activator of...
深圳键特电子_K-TEK-B312-OTB-KP-FN-DWP - 键特电子
CP312 resettable emergency push button
Ceey Store
KP312S - Höövel
K312P | FOSTEX(フォステクス)
Путинге кат жазган Москвадагы кыргыз жигит. Пла...
Makita USA - Product Details -KP312
MMZ - K312
CP 3112 Redvers | CP 3112 GP38-2 works P34 duri...
걍 3d에 전신으로 나와서 더커보이는거같기도 - 치...
Editor's Review, Makita KP312 15 Amp 12-1/4-Inc...
Caterpillar Cold Planers PM312 - Student Terpel...
K-312 - Mpa-Metal Μπαρούτας, Τρίκαλα
Транзисторы ГТ322 и КТ312 - маркировка, цоколев...
CP 1243-1 펌웨어 2.1.51 (6GK7243-1BX30-0XE0) : ...
Аналог кп312а - Справочная радиоэлементов - Фор...
UKP 312 + H 2312
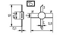
Цоколевки полевых транзисторов 1 - 15
(Made in Germany) ถ่านเครื่องช่วยฟัง Toshiba 31...
AKG K312P In-ear Headphones Price in Pakistan -...
Стол К312 - Мебели Ясен - изборът е ясен
K312 Ambulance Walk Around Page 1
KP212
CP1212+ – MG Lighting
MAKITA KP312S | Mechaneo Profesionální nářadí
Kyocera K312P - CNET