Комплект для переделки плоских магнитол / Перен...
Рамка для магнитолы — купить в Красноярске. Сос...
Катушечные магнитофоны возвращаются / Хабр
Переходник для магнитолы: ISO, евро, радио, ИСО...
Переходник для магнитолы: с ISO на евро для шта...
Переходник на китайскую магнитолу — ТагАЗ Vorte...
Магнитные свитчи для клавиатур: в чем фишка, ос...
Магнитола с usb в штатное место — Ford Focus Wa...
Переходная рамка для магнитолы из Китая. - YouTube
Как подключить магнитолу ⋆ Doctor BASS
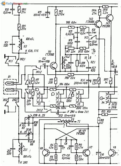
Катушечный магнитофон-приставка на транзисторах
"Слепая" магнитола — Mitsubishi Lancer X, 2 л, ...
Штатная магнитола дополнение. — Renault Megane ...
Переходник для магнитолы, новый, в наличии. Цен...
Магнитола с поддержкой воспроизведения USB TF к...
Продаем магнитолы
Профессиональные инсталляционные комплекты. Пер...
Доработка штатной рамки магнитолы для установки...
Неодимовые магниты купить в Украине
переходник для магнитолы на Mitsubishi ASX, Mit...
Катушечные магнитофоны – купить в Новосибирске,...
Головки магнитные для магнитофона: 300 грн. - М...
Фишка питания для подключения магнитолы Teyes
Катушечные магнитофоны – hifi-audio.ru
Флешка в магнитолу. — Lada Калина Хэтчбек (1G),...
Разъем для магнитолы: основа электрических соед...
Переходник с аукс на юсб для магнитолы — купить...
Кассетный переходник плеер - магнитола
USB переходник для магнитолы - YouTube