Производство Резиновых Амортизаторов и Виброизо...
Виброизоляторы для центробежных вентиляторов ВЦ...
Виброизоляция | это... Что такое Виброизоляция?
Виброизоляторы ДО - АЭРОТЕХНОГРУПП
Инмор.com / Виброопоры, виброгасители, виброизо...
Виброизолятор ДО - ООО "КВЗ"
Виброизоляторы пружинные, резиновые в Ростове-н...
Виброизоляторы ДО и ВР купить по выгодной цене ...
Виброизоляторы ЕС. В Москве. Купить. Низкая цен...
Виброизоляция - купить Виброизоляция в Москве, ...
Виброизоляторы
Купить Виброизолятор ДО-41 | НЕВАТОМ
Виброизоляторы для вентиляторов купить в Дмитро...
Виброизоляторы ДО 』 купить в Москве - каталог ...
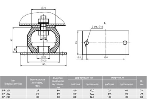
ВИБРОИЗОЛЯТОР РЕЗИНОВЫЙ ВР-201
Виброизоляторы на основе материала «металлическ...
Виброизоляторы КИВ, АНАЛОГИ ⋆ Виброопоры
Сейсмозащишенные виброизоляторы на базе ВР708 V...
Виброизоляция промышленного оборудования Решения
Купить 100% металлические виброизоляторы Axial ...
Виброизоляционный материал ВИБРОРЕЗ-СН
Виброизоляторы резиновые и силиконовые - Виброна
Виброизолятор ДО-43 купить по цене 940 рублей
Как правильно выбрать виброизоляционный материал
Звукоизоляция и виброизоляция оборудования на п...
Виброизоляторы стальные типа ДО
Расчет вибрации от оборудования, проектирование...
Тросовый виброизолятор ВМТ - Виброна
Купить Виброизолятор ДО-43 | НЕВАТОМ
Виброизолятор Ровен ДО 45 - купить в Москве