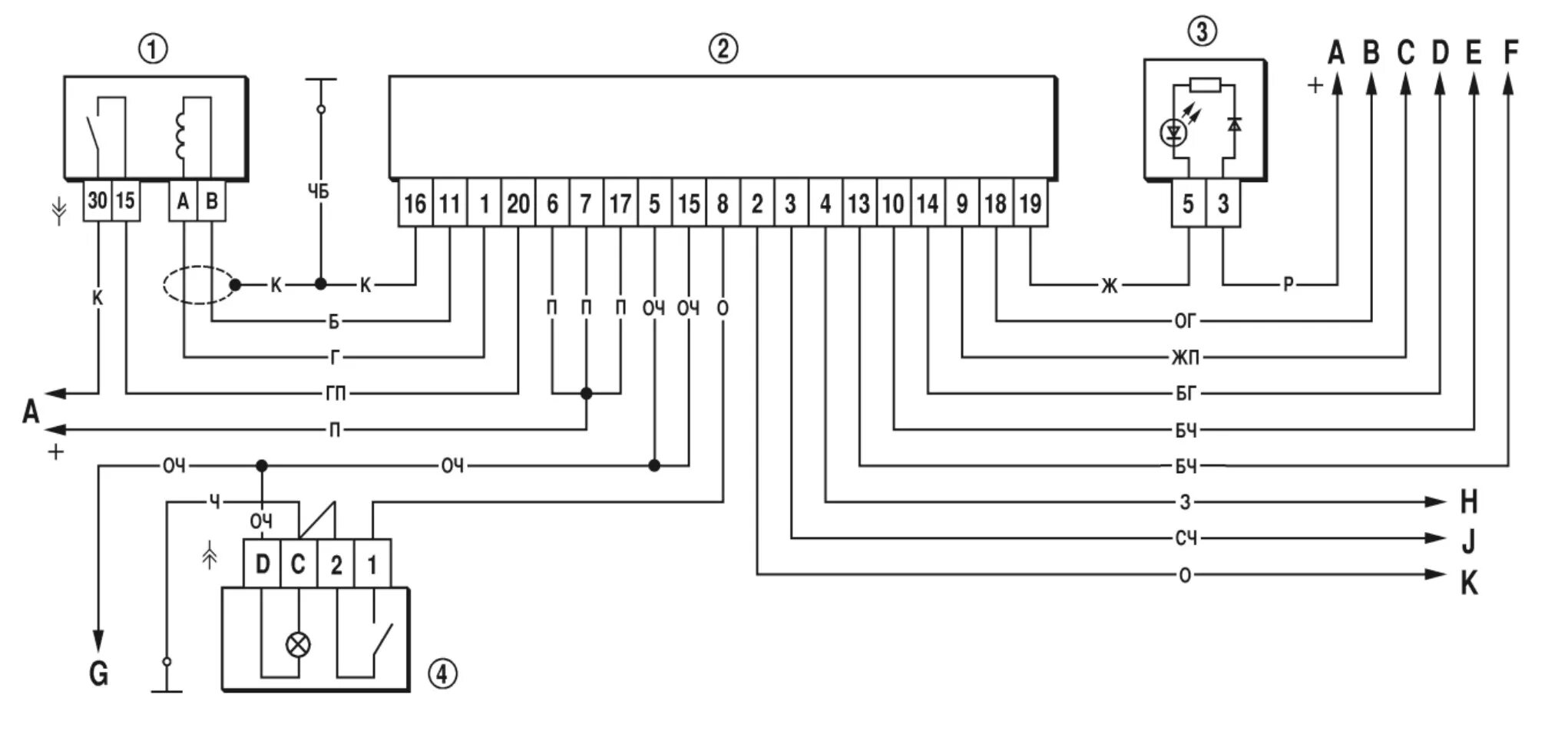
Распиновка блока управления нива

Распиновка блока управления нива