Компенсаторы
Термоэлектродные и компенсационные провода и ка...
Компенсаторы для полипропиленовых труб: виды, п...
Провода компенсационные
Компенсационные термоэлектродные провода и кабе...
Компенсация сопротивлений соединительных проводов
Компенсационные провода для термопар | Сиб Конт...
Электромонтаж в США. Соединения проводов. Кабел...
Компенсатор - Элемент ЕКБ
Компенсаторы от производителя
Термопары: устройство и принцип работы простым ...
Компенсационные провода для подключения термопар
Провод компенсационный для термопар (гибкий)
Компенсационные (термоэлектродные) провода
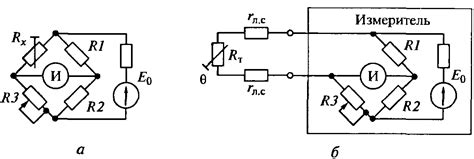
Компенсационные измерительные схемы.
Компенсация реактивной мощности в системах элек...
Компенсація реактивної потужності
Компенсационные (термопарные) провода и кабели ...
Компенсирующие устройства
Технология монтажа и сварки полиэтиленовых труб
Компенсаторы | АО "Салаватнефтемаш"
База данных по компенсаторам
Termoavtomatika – Продукция измерительной техники
Чем отличаются сильфонные компенсаторы от резин...
Термопарный провод тип К, J 2х0.4 мм, 2х0.35 мм...
Przewody kompensacyjne
Новый способ соединения проводов при замене про...
П-образный компенсатор, его расчет, принцип дей...
8. Электромонтаж в США. Соединение проводов; Ка...