TR618-I - Maxon Int'l Co., Limited.
Agriculture & Off the road valve-TR618A-Agricul...
V3 Series Valves Heavy Truck Valve Tr618 Tr618a...
TR618A - Sanzhaoda Autoparts-China tyre & tire ...
Air Liquid Valves TR618A and TR218A
Tr-618a Sellers | americanprime.com.br
TR618A - 宁波思明汽车附件有限公司
사운드컴
Daugiau nuotraukų
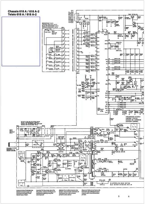
TELEFUNKEN CHASSIS 618A 618A-2 SCH Service Manu...
Ventil TR618A/ 15,8/ L= 55,5/ SIV (500074010) -...
TBLSS AIR LIQ VLV - TR618A
SONY CCD-TR618,718,728,818 TRV49,58,59,68,78,88...
2618A T6 T6511 T651 T61 Aircraft Aluminium Rod ...
Valve TR618-A
AGRICULTURAL VALVE AIR/LIQUID (TR618A) - Payt S...
TR618A Air Water Valves (Snap-In) (pack-10)
UAimages - Бесплатный фотохостинг
4WDbits TR218A or TR618A Valve Insert
TR618A / SP7--Ningbo Yinzhou Henxin Auto Parts ...
TR618A - Air/Liquid Clamp-In OTR Valve - 1.88" ...
JDI-TR618A(metal) Good Price Brass stem Superio...
Traktorventil 618A - STParts
TELEFUNKEN 618A 618A1 618A2 CHASSIS SCH Service...
(Lot of 4) TR618A Air Liquid Valve Stem | eBay