Ssop8 ถูกที่สุด พร้อมโปรโมชั่น ต.ค. 2022|BigGoเ...
8 Pin SSOP - Sk Digital Meter
8110
SSOP-8 — корпус ЭК
New Original CNV SSOP 8 TSSOP8 DIP28 SSOP8 Sock...
MULTIADAPTER - SOP 8, SOP 8 ROTATED, SSOP 8 / T...
MySolidWorks - Official SOLIDWORKS Community
Плата SOIC8 и SSOP8, макетная двухсторонняя пла...
برد دو لایه تبدیل SOP8 / SSOP8 / TSSOP8 به DIP8...
SSOP-28
100% NEW OTS 24 0.65 01 SSOP8 TSSOP8 IC Test So...
2904 : NJM2904V ; Dual Operational Amplifier Si...
Adapter uniwersalny SSOP8 / TSOP8 to DIP8
Set 2x PCB adapter, SE, SOP8 SSOP8 TSSOP8, 65mm...
4.4mm 173mil SSOP8 test socket SSOP8 socket SSO...
OTS 28 0.65 01 SSOP8 TSSOP8 Pitch 0.65mm Progra...
1 Pcs Chip Solderless Test Adapter SSOP8 To SOP...
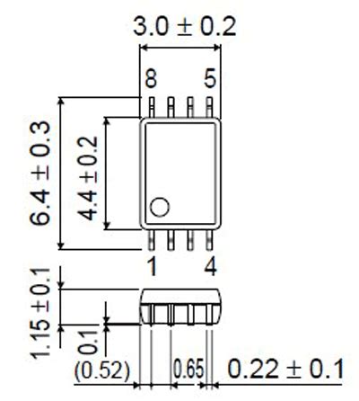
Корпус SSOP. Чертежи корпусов импортных микросхем.
SSOP8 TO DIP8 (B) Enplas IC Programming Adapter...
Hsv 10 ชิ ้ น SOP8 SSOP8 TSSOP8 ถึง DIP8 อะแดปเ...
مشخصات، دیتاشیت، قیمت و خرید مبدل SSOP-8 به DIP
BB SOP8: Developer boards - SMD Breakout Adapte...
Aliexpress.com : Buy SSOP8 to DIP8 Programmer a...
SOP8 TSSOP8 SSOP8 TO DIP8 Adapter-(Pack of 2) -...
Двусторонняя SOP8 SSOP8 TSSOP8 печатная плата /...
SSOP8
SSOP8 Adapter Pitch 0.65mm SSOP8 TSSOP8 Burn in...
OTS 28 0.65 01 SSOP8 Pitch 0.65mm Programming S...