5pcs/lot WT7510 WT751002 WT751002S WT7514L WT75...
WT7522 datasheet(2/9 Pages) WELTREND | POWER SU...
Epson WF-7525 – Chatcloud Enterprise Network So...
Freeshippng WT751002S WT751002 S DIP 8 751002-i...
1 шт. WT751002 WT751002S DIP-8 чип управления п...
WT7517 | PDF | Power Supply | Detector (Radio)
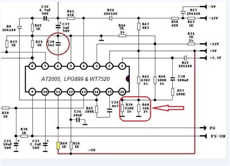
ШИМ AT2005, он же WT7520, он же LPG899
WT7515 WT Other Components - Veswin Electronics
WT751002S DIP-8 IC ، WT751002 S ، 5 من كل لوط |...
1PCS WT7527S WT7527 DIP 16-in Relays from Home ...
WT7522 Datasheet(PDF) - Weltrend Semiconductor
WT7518 Datasheet PDF - Weltrend Semiconductor
WT7502V WELTREND Other Components - Veswin Elec...
WT7522 datasheet(5/9 Pages) WELTREND | POWER SU...
5 Stück WT7527S DIP16 WT7527 DIP 16 WT7527 N161...
WT7520 Datasheet PDF (Weltrend) - PC Power Supp...
WT-2505 - X-SOURCE ELECTRONICS LIMITED
WT7522 datasheet, supervisor equivalent, Weltrend
WT7527 datasheet(7/12 Pages) WELTREND | PC POWE...
Контент I.V - Форум по радиоэлектронике
10PCS-WT751002-WT751002S-New-Original.jpg
WT7520 Datasheet | Pdf download, Semiconductor,...
5 개/몫 WT7527S WT7527 DIP 16 드라이버 IC 칩 재...
WT7525
WC 7525
WT7520 Datasheet PDF Download - Weltrend Semico...
WT7510
Multifunktionsgerät Epson WorkForce WF-7525 – D...
5pcs/lot WT751002 WT7510 DIP 8 In Stock|wt7510|...
Epson WF-7525 – Green IT Solutions
WT7527V giá rẻ Tháng 6,2023|BigGo Việt Nam
WT7527 datasheet(5/12 Pages) WELTREND | PC POWE...
WT7527 datasheet(3/12 Pages) WELTREND | PC POWE...
Интегральные схемы WT7525N140 WT7525 (5 шт.) | ...