THX203 из Aliexpress - YouTube
thx203h circuit diagram |thx203h| thx203h ic wo...
THX203H DIP8 THX203H 7V DIP 8 THX203H 8V, 10 pi...
THX203H datasheet - YouTube
SMPS with THX203 Power Supply, Usb Flash Drive,...
THX203H Datasheet - Switching Power Controller ...
THX203H datasheet(20/21 Pages) ETC | Switching ...
10PCS THX201 THX202 THX203 THX208 SOP 6 THX202H...
10pcs/lot THX203H DIP8 THX203H 7V THX203 In Sto...
10PCS THX203H DIP8 THX203H 7V THX203 DIP switch...
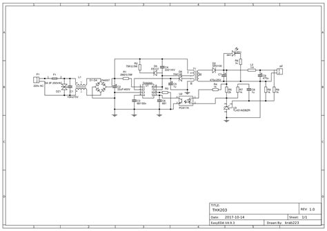
THX203 - EasyEDA open source hardware lab
THX203H datasheet(6/21 Pages) ETC | Switching P...
THX203H datasheet(18/21 Pages) ETC | Switching ...
10Pcs-lot-THX203H-DIP8-THX203H-7V-DIP-8-THX202H...
5pcs/lot Thx203 Thx203h 8v Dip-8 Ic - Integrate...
10PCS THX203 THX203H DIP 8 Make in china-in Int...
THX203H Datasheet(9/21 Pages) ETC Switching Pow...
THX203 Datasheet, THX203 PDF, Pinouts, Circuit ...
100PCS THX203H DIP8 THX203H 7V THX203 DIP|Conne...
10 조각 THX203 THX203H THX203H 8V THX203H 7V|자...
10-sztuk-partia-THX203H-DIP-8-THX203H-7V-THX203...
THX203 THX Other Components - Veswin Electronics
THX203
Free shipping 10pcs/lot DVD adapter IC THX203 T...
THX203H datasheet(12/21 Pages) ETC | Switching ...
THX203H_厂家_价格_报价-电源网
THX203H datasheet(19/21 Pages) ETC | Switching ...
THX203H datasheet(10/21 Pages) ETC | Switching ...
50pcs THX203 THX203H DIP8 Made in China|Connect...
THX-203H PDF Datasheet - Switching Power Contro...
开关电源管理芯片THX203 - 家电维修资料网
THX202H-THX202H-7V-dip-8-thx203h-novo-controlad...
10PCS THX203H DIP8 THX203H 7V DIP 8 THX202H 7V ...
THX203 Datasheet Meta Search
Thx203h Best Of | Wiring Diagram Image