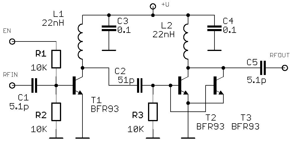
Кодовое Ограничение: Усилитель на 433 МГц

Кодовое Ограничение: Усилитель на 433 МГц