BL-50 series
5020
B-5020 | Boeing 737-81B | China Southern Airlin...
5020-B – U.S Watch Parts
BM50208 - Maxmega
MBL5020 BLDC Motor - Mastery
50 2320 im Hbf BS
RB5020 - MAX Europe - The world's professional ...
HB-5020
BLR2050 - EuroArt
اجاق شیشه ای 5020 - بیمکث
5020.B | SWMH
505020 : 커넥터
502202BL
BM50205 - Maxmega
Datasheet 5020 B Complete Technical Documentati...
5020 Blower | CPU Heatsink
B5020L12B-BSR Mechatronics Fan Group | Fans, Th...
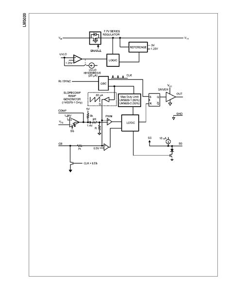
LM5020 datasheet(2/12 Pages) NSC | 100V Current...
CB 5020 | İmalat Ve Sanayi
B5020 51 x 50mm DC Blowers - Mechatronics
5020 release by BrixYT
MLT-5020 | Jiangsu Huaneng Elec | Buzzers | JLCPCB
B5020 Back Holder Bushing – HAKKO UK
LBH5020 Datasheet(PDF) - LUXPIA
BT5020 Hydroxyl Acrylic Resin - GENESIS Co. Ltd.
BA5020
5020 - Bouwbeslag Outlet : Bouwbeslag Outlet