LR5535(B)
ld5 – JAMMArcade.net
10PCS-LD7535ABL-LD7535BL-LD7535LD7537RGL-LD7537...
10pcs-lot-LD5537T-LD5537-new-original.jpg
LT3585 Datasheet and Product Info | Analog Devices
LD5523 Datasheet - Leadtrend Technology
LD0565 & LD0566: 0.56 inch Dual Digit Display |...
LTC5535 Datasheet and Product Info | Analog Dev...
LDR 535 Transform the World / snaptutorial.com ...
LD7535&LD7535A-DS-01c - Leadtrend | Ld7535 | PD...
Page Not Found - Aliexpress.com
10Pcs-LD7535-LD7535ABL-LD7535BL-LD7536RGL-LD753...
iF Design - PM-LE5535/6935/9435
LD35-1_方案组成_Light truck powertrain_Commerci...
CS5535 datasheet(56/555 Pages) NSC | Geode??CS5...
LD35-2_方案组成_Heavy Truck solution_Commercial...
LD7535 datasheet(13/19 Pages) LEADTREND | Green...
10PCS-LD7535ABL-LD7535BL-LD7535-LD7536RGL-LD753...
LD5537 Datasheet(PDF) - Leadtrend Technology
LD5537 LeadtrendTechnology | PDF | Power Supply...
5piece-LD7537RGL-37R-LD7536RGL-3636S36R-LD7536R...
Original 5pcs/ Ld7535mbl Ld5535gl P35 T35 35r S...
What is PWM controller LD5535E1GL - E-components
LT5537 Selling Leads, Price trend, LT5537 DataS...
LX5535LQ - Microsemi
LD5537 Datasheet PDF (Leadtrend Technology) - G...
ADL5535 Datasheet and Product Info | Analog Dev...
LD7535 Datasheet(PDF) - Leadtrend Technology
1976 Caterpillar 980B wheel loader in Centervil...
LD7535 Datasheet - Leadtrend Technology
10PCS LD7537RGL LD7537 LD7550BBL LD7535ABL LD75...
LD9535 - SSR MOS Combo - Mid-Power Controller -...
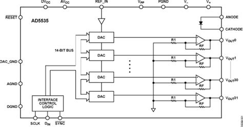
AD5535 Datasheet and Product Info | Analog Devices