Фотореле фр в категории "Электрооборудование" |...
Фотореле Техносфера ФР-2, 220В, 10А 16030010600...
Фотореле ФР-2 купить лучшей цене в ТОО «AESH»
Фотореле ФР-7Е 5А 220В АС 8-20Лк c датчиком осв...
Фотореле фр м02 инструкция
Фотореле ФР-75, ФР-75А, ФР-75-2 У3 от производи...
Фотореле ФР-9М 220В 50Гц 16А с датчиком 25м арт...
Фотореле ФР-2 (id 66183444)
НТК ЭЛЕКТРОНИКА - Производим Фотореле аналогово...
Фотореле гост: Фотореле типа: ФР-601, ФР-602
Фотореле для уличного освещения купить в СПб | ...
Заказать Фотореле ФР-2 в интернет-магазине 220 ...
Фотореле ФР-М02 AC230B УХЛ4 с датчиком артикул ...
Фотореле ФР-М02 дистанционно обучаемое, с тайме...
Фотореле Техносфера ФР-2Ц, 220В, 10А 1603001060...
Фотореле с выносным датчиком EKF DIN-1 ФР 2-100...
Фотореле ФР-2, 220В, 10А купить на OZON по низк...
фотореле для уличного освещения
Что такое фотореле для уличного освещения и как...
Фотореле для уличного освещения: выбор, схемы у...
Фотореле фр М01 1 15 Схема. Сроки возврата | Ми...
Фотореле ФР-2 купить по низкой цене | НПО Техно...
Фотореле ФР-2Ц купить по низкой цене | НПО Техн...
Фотореле фр 2у3 технические характеристики
Морозоустойчивое фотореле Техносфера ФР-2 220В,...
Фотореле фр 2 у3 Схема Подключения Описание фот...
Фотореле
Фотореле ФР-М02 АС230В УХЛ4 с датчиком, Фоторел...
Фотореле ФР-2 У3, 220 вольт 6 ампер (произ-во С...
Фотореле ФР–75–2У3 в Шымкенте (Фотореле) - ТОО ...
Фотореле ФР-2У3 — купить в Красноярске. Состоян...
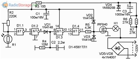
Электрическая схема фотореле
Фотореле ФР-2 » РадиобукА
Фотореле ФР-2М купить по низкой цене | НПО Техн...