Микросхема yd7377 схема подключения - 91 фото
大图查看
YD7377中文资料_最新报价_数据手册下载_无锡友达-...
YD7377 CD7377CZ-in Integrated Circuits from Ele...
10 PCS/Lot authentic power amplifier IC YD7377 ...
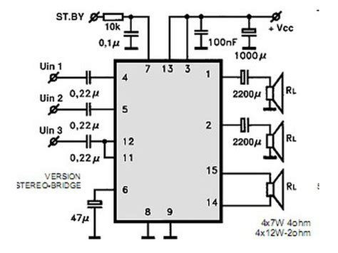
友达YD7377待机功能4×6W/4Ω四声道音频功放电路放大...
YD7377 | Amplifier | Bipolar Junction Transisto...
CIRMECH TDA7377 amplifier DIY kit 2.0 stereo po...
Yd7389a схема подключения - Фото подборки
Микросхема TDA7377: характеристики, datasheet, ...
YD7377H Datasheet(PDF) - List of Unclassifed Ma...
Микросхема yd7377 схема подключения
Shenzhen Huashanweihai Electronics Co., Ltd. - ...
Схема автомагнитолы на tda7377 - фото
1 pcs/lot YD7377 CD7377CZ ZIP-15 In Stock | eBay
5PCS TDA7377=YD7377 TDA7377A audio power amplif...
Standby Function Four-channel Audio Amplifier C...
PDF YD7377 Components