Трос отбора мощности КОМа Unic UR30
Самосвальный пневмомодуль с клапаном включения ...
Презентация на тему: Трехвальная 6-ступенчатая ...
Коробка отбора мощности Камаз
Трос механического включения коробки отбора мощ...
Клапан включения коробки отбора мощности газ - ...
Учебный вопрос № 2 Назначение, устройство и раб...
Трос включения коробки отбора мощности Tadano Z...
Коробка отбора мощности КамАЗ
Коробка отбора мощности (КОМ) - YouTube
Разновидности коробок отбора мощности | AUTO-GL.ru
Коробки отбора мощности ГАЗ - Гранд-НН
Трос! — Volkswagen Jetta II, 2 л, 1986 года | с...
Клапан включения коробки отбора мощности автокр...
Что такое коробка отбора мощности | Зачем нужна...
Устройство коробки отбора мощности - STS Запчасти
Коробки передач. Требования - презентация онлайн
Купить трос включения коробки отбора мощности 3...
Трос включения коробки отбора мощности LINEA-35...
Трос сцепления порвался. — Lada Приора хэтчбек,...
Коробка отбора мощности ПТО купить во Владивост...
ZK20-P5600/ZK20P5600, Трос подъёма кузова ISUZU...
Диафрагма Камеры Включения Коробки Отбора Мощно...
Запчасти для манипуляторов Unic UR330: Трос вкл...
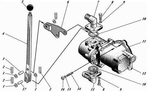
Коробка отбора мощности
Купить Трос включения ПТО, PTO, Power TAKE OFF,...