FR30-005 datasheet(2/2 Pages) FRONTIER | 3A FAS...
FR52530 by FLANDERS FILTERS - Buy or Repair at ...
Верхний душ FRAP F016-25
FR303_483023.PDF Datasheet Download --- IC-ON-LINE
Frap Indonesia | Technology
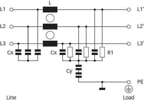
FN3025 / FN3026 | Schaffner Holding AG
F25
Смеситель для ванны FRAP F3025 1/2 керамическая...
F3025 – Madison Avenue NYC
Смеситель для ванны Frap F3285-6 купить в Москв...
f3075 | Mark85224 | Flickr
F2753 FRAP 2753 Anti-roll bar link M10x1.5 AUTO...
F3025 – Prime Opticals
c
FN 3025 - Fuseco
SERIE 3025
FN3025HL-20-71 | Schaffner Holding AG
Miele KFP 3025 ed/cs Stainless steel front
CES F3025 | City Electric Supply
'F2536M
FP-2/25: Component_Supply
33663 FRANKE LINEAR SYSTEM W/ FDA25K (NEW) FDA2...
FN3025/FN3026 Lightweight Filters - Schaffner |...
FC325
FN3025HP-10-71 Datasheet(PDF) - Schaffner Inter...