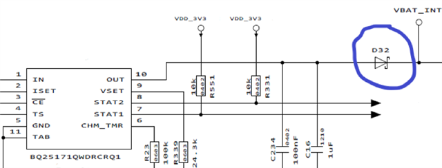
BQ25171-Q1: Reverse Voltage Protection - Power management forum - Power ...

BQ25171-Q1: Reverse Voltage Protection - Power management forum - Power ...