Good Product Online Latest hottest promotions O...
ePF-1 Controller ABE-konform | 101011
E82ZAFPC010 Profibus-Modul (FIF) - KABEA GmbH -...
SMEG Archives - Techbox
Ekspres Smeg - Zestaw ECF01PBEU + CGF01PBEU - O...
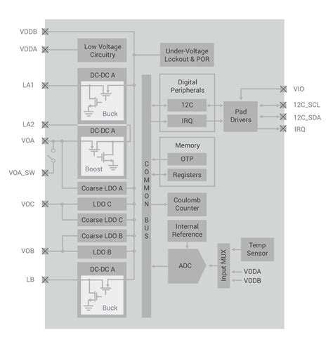
EFP01 - Power Management IC to Enhance Battery ...
SMEG ECF02PBEU
ePF-1 PRO
AEG ECFB02 online kaufen bei Kuechenfans.de
เครื่องชงกาแฟเอสเพรสโช่-SMEG-ECF01PBEU-สีฟ้า - ...
Smeg ECF01PBEU Review | Home espresso coffee ma...
PFB01CM24 - Jüling - Automation
EPFU 09 | Enoc System
PFB D01 3p LED - Etigroup
Smeg ECF01PBEU Siebträger Espresso-/Kaffemaschi...
ePF-1
PMIC - Power Management IC - EFP01 - Silicon Labs
One EP2008-0001 PLC Module Beckhoff | eBay
Aktuelle Angebote: EF014-503, EF030-503, 3XYG10...
PBE-1101
Panasonic EKFEV 14 DCi 0-10V Steuereinheit für ...
Smeg ECF01 Main Power Board
Beckhoff 1-Kanal-Encoder-Interface EP5101-0002 ...
ePF-1 PRO Controller ABE-konform | 111011
ePF-1 PRO - Mikrofahrzeuge
EFB-Elektronik GmbH: Wir sorgen für Verbindung
PFB D01 1p LED - Etigroup
EC 01 EC 01F EC 01G Wifi 무선 모듈 EC 01 Kit EC...
ECF-01-Y - Etigroup
ePowerFun ePF-1 Blue nach über 1000km! Wie sieh...
EFB-Elektronik GmbH: We care for connection