Врезные светодиоды для авто 85 фото
Лучший Высокое Качество 12 В Автомобиля 4.2A Du...
Двойной Переходник USB для зарядки в машине 3.1...
Купить автомобиль штекер с предохранителем и le...
Автомобильный светодиодный рабочий светильник, ...
Ультратонкая Автомобильная аварийная Стробоскоп...
Автомобильный адаптер зарядное устройство прику...
Автомобильное зарядное устройство 5 В 3.1A со с...
Автомобильные аксессуары, которые скрасят ваше ...
Лампа переноска светодиодная LED в прикуривател...
Купить постоянного тока автомобильное зарядное ...
Купить водить автомобиль реле дневного источник...
Разветвитель автомобильный, быстрая зарядка в м...
Авто-Стайлинг СВЕТОДИОДНЫЙ грузовик светодиодны...
Нагрузочный резистор для светодиодных ламп в ст...
2 шт. Автомобильный светодиодный светильник под...
Нагрузочный резистор с USB входом для тестирова...
Автомобильный USB светодиодный автомобильный ин...
Автомобильная светодиодная лента, электропровод...
Нагрузочный резистор купить по выгодной цене с ...
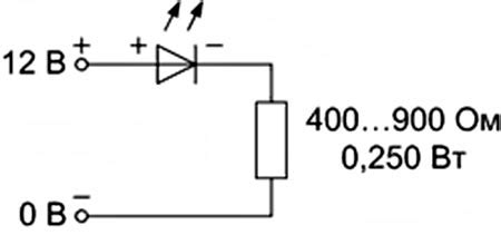
Резистор для светодиода
Светодиодный тюнинг своими руками
2 шт. модель автомобиля светодиодный держатель ...
самодельный стабилизатор напряжения для LED / с...
Дизайн, универсальные автомобильные зарядные ус...
Резистор для светодиода ⚠ Зачем нужен резистор ...
СВЕТОДИОДНАЯ ЛАМПА С ГИБКИМ (ЛЕНТОЧНЫМ) РАДИАТО...
Купить универсальный 2 способа автомобиля авто-...
Расчет резистора для светодиода ⋆ diodov.net
Резистор Нагрузочный (обманка) 25 Вт, 25 Ом для...
Переносная светодиодная с магнитом автомобильна...