Адресные приемно-контрольные приборы Рубеж
Адресные системы охранно-пожарной сигнализации ...
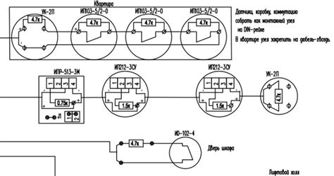
Rubezh схема подключения датчика
Схема подключения адресных датчиков рубеж
Дистанционный мониторинг состояния адресной сис...
АДРЕСНЫЕ СИСТЕМЫ ОХРАННО-ПОЖАРНОЙ СИГНАЛИЗАЦИИ ...
Адресно-аналоговая система пожарной сигнализаци...
Охранная сигнализация RUBEZH R1
Адресные вибрационные и сейсмические датчики
Адресные метки АМ-1, АМ-4 ТМ RUBEZH прот. R3 - ...
Рубеж сигнализация пожарная схема подключения д...
Пожарная сигнализация RUBEZH R1
Пожарные датчики рубеж схема подключения
РМ-4К-R3 Адресные релейные модули, Рубеж | купи...
Монтаж датчиков ПС. Адресные датчики Рубеж - Yo...
R3-МС Модуль сопряжения Rubezh - Рубеж Адресные...
Почему я против адресных пожарных датчиков в кв...
Адресные пожарные датчики со встроенными изолят...
Расширители адресные Рубеж прот. R1