Реле стартера и предохранитель Лада Приора где ...
Схема проводки лада приора (ваз 2170): распинов...
Схема реле и предохранителей лада приора - авто...
Реле 71 стартера ВАЗ-2170 "Приора" 4-х конт. 50...
Реле света приора: Предохранители и реле Лада П...
Предохранители и реле лада приора (2007-2018): ...
Предохранители priora: Предохранители и реле Ла...
Автосвет в приору — Lada Приора универсал, 1,6 ...
Реле бензонасоса приора причины
Автосвет, или редчайшая поломка люксовой приоры...
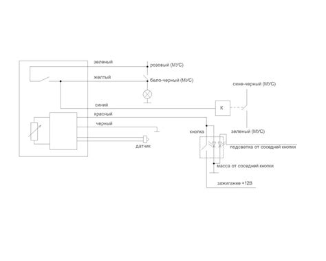
№21. МУС Priora 2 в Priora 1 — Lada Приора седа...
Реле ПТФ Лада Приора: особенности и принцип раб...
Реле ближнего света. — Lada Приора хэтчбек, 1,6...
Реле зажигания приора где находится: » Схема бл...
Реле обогрева лобового стекла Приора – купить с...
Подключение птф через реле и кнопку приора
Реле дворников "АвтоТрейд" для ВАЗ 2110-2112, Л...
Не работает функция "Автосвет" окончание — Lada...
Схема предохранителей приора люкс: Предохраните...
Предохранитель поворотников приора: » Схема бло...
Предохранители лада приора и реле с описанием н...
ПТФ=ДХО — Lada Приора универсал, 1,6 л, 2009 го...
Реле дворникоа — Lada Приора универсал, 1,6 л, ...
Приора предохранитель вентилятора печки: Предох...
Не работает функция "Автосвет" часть 3 — Lada П...
Реле поворотов Приора - Автоэлектрика
Распиновка реле приора под капотом
Где находится реле стартёра и предохоранитель н...
Замена стандартных реле на реле большей мощьнос...
Реле на печку приора без кондиционера
Реле автосвета (ДХО), реле регулятор на генерат...
Схема реле предохранителей приора