Усилитель мощности низкой частоты для генератор...
Усилитель мощности для генератора сигналов купи...
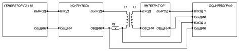
Генератор усилитель схема
Купить усилитель мощности DPA-1698 для генерато...
Генераторы синусоидального сигнала низкой часто...
DPA-2698 высокой мощности двухканальный DDS фун...
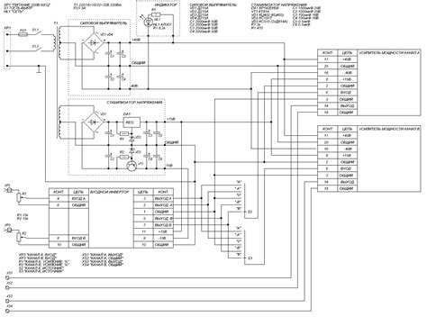
Схема выходного усилителя для генератора
РЧ широкополосный усилитель 30дБ малошумный LNA...
ШЭНЬЧЖЭНЬ ZD TECH CO., LTD. Сверхширокополосный...
Усилитель для генератора сигналов схема - ПК Зн...
Генератор сигналов Усилитель мощности Американс...
Усилитель мощности выходного сигнала генератора...
Усилитель мощности для генератора сигналов свои...