АВР 1 фазный и 3 фазный TOMZN что внутри - YouTube
Генератор дизельный 3х-фазный 8.8 KW + АВР в по...
Блок автоматического ввода резерва (АВР) 1/3-фа...
Модуль аварийного ввода резерва МАВР-4-1М | Эле...
Dinking Блок автоматического ввода резерва (АВР...
≡ Автоматический переключатель ввода резерва 10...
Автоматический ввод резерва АВР-3/3 - купить по...
АВР назначение, технические характеристики, про...
3-х фазный (380 В) дизель генератор 8 кВт Ricar...
Генератор дизельный AD7500TEA (7,5 кВт) + АВР 4...
АВР на 3 ввода - YouTube
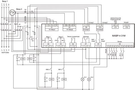
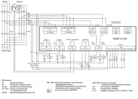
Модуль автоматического ввода резерва МАВР-4-31М...
≡ Автоматический переключатель ввода резерва 12...
3-х фазный щит АВР с управлением генераторной у...
3-фазный дизельный генератор 8 кВт (380 В) Yanm...
Схема подключения 3х фазного - Схемы
Блок управления 3-фазный АВР генератора LC10000...
Подключение 3-фазного двигателя на 220 вольт: п...
Автоматический ввод резерва АВР-3/3-22 (ПЛГН.99...
Схемы подключения генераторов через АВР – СамЭл...
3-х фазный 4-х полюсный Автомат переключатель в...
ᐉ Генератор дизельный 10 KW 3-х фазный/АВР в по...
3-фазный дизельный генератор 20 кВт Ricardo с А...
Трехфазный АВР реле выбора фаз МАВР-3 | Электро...
3-фазный дизельный генератор 8 кВт (380 В) Kubo...
AVR (АВР) для электро и Бензогенератора 7-9 кВт...