Кофта на замок: цена 150 грн - купить Кофты и с...
Костюм для охоты и рыбалки купить за... [СКИДКА...
Кофта рибок мужская - 80 фото
Кофта
Костюм для рыбалки, хлопок 35%+ полиэстер 65%, ...
Купить Кофта флисовая "Принт", Валивера для охо...
Кофта для охоты и рыбалки Deerhunter купить в М...
GRAFF – Одежда для охоты, рыбалки и активного о...
Отзывы на Одежда для рыбалки и охоты SiS от реа...
Одежда и товары для рыбалки
Daiwa летняя футболка для рыбалки одежда для ры...
Kofta ribbstickad - Linkoftor - Linkläder dam -...
Кофта флисовая Shark с капюшоном Coyote - купит...
Костюмы для комфортной рыбалки зимой
Daiwa рыболовные куртки для рыбалки на открытом...
Унисекс дышащая водонепроницаемая куртка для ры...
Выбираем костюм для рыбалки
Handmade Accessories: Кофта с рисунком «Кошка»
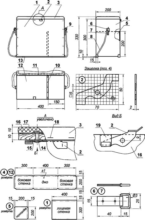
КОФР РЫБОЛОВА | МОДЕЛИСТ-КОНСТРУКТОР
Куртки для рыбалки - купить по выгодной цене в ...
Костюмы для рыбалки и охоты – купить костюм для...
Аксессуары для рыбалки нахлыстом пояс Набор защ...
Мужская воздухопроницаемая куртка Maden, быстро...
Купить Fly Рыбалка магазин новая модель Рыбалка...
Флисовые кофты - ROZETKA. Купить кофты из флиса...
Костюм для охоты и рыбалки для природы женский ...
Костюм для рыбалки | Отдых в Крыму на море - Га...
Купить Десятиборье специальность рыбалка одежда...